Main Content

Results for

Hi All,

Quick question regarding deriving PM flux linkage [Wb] from a torque constant estimated from data on a PMLSM.

I have an estimated torque constant Kt [N/A], which is from experimental test data. I will now parameterising my Simscape PMLSM block from this torque constant.

The literature seems confusing, to derive PM flux linkage [Wb] from the experimental torque contant do i include the (3/2) constant. Some examples include the constant and some omit, which one of the following is preferred for deriving the PM flux linkage?

Thanks

Patrick

Hi All,

Using the PMLSM SimScape block for my FOC PMLSM model - PMLSM

In the example ee_pmlsm_drive.slx which i have based my FOC architedure on, have a few questions please.

There is a gain block after the outer loop velocity controller (iq_Ref), which is the inverse of the Force constant (Kt) shown as (2/3*Np*PM) in the literature. This is also used in the PMSM FOC model, placed after the torque limiter Tq to iq_Ref. Why is this inverse Kt gain added to the idq_ref signal? Does this cancel Kt if its used in the Force Equation?

Previous help posts regarding the Force Constant (Kt), imply emitting the constant (3/2) in Kt. Also in the PMLSM help center document states Ke, Kt and Flux linkage are equal. Does this simplification apply to the translational machine counterpart SimScape block?

I have tried to look into the SimScape block code of the PMLSM to confirm, how do i look under the mask to check the Force equation for the PMLSM to confirm Kt and Ke used in this model?

Any help would be great as this is holding up Validation of my "small signal" linear PMLSM model against the SimScape PMLSM block model.

Thanks

Patrick

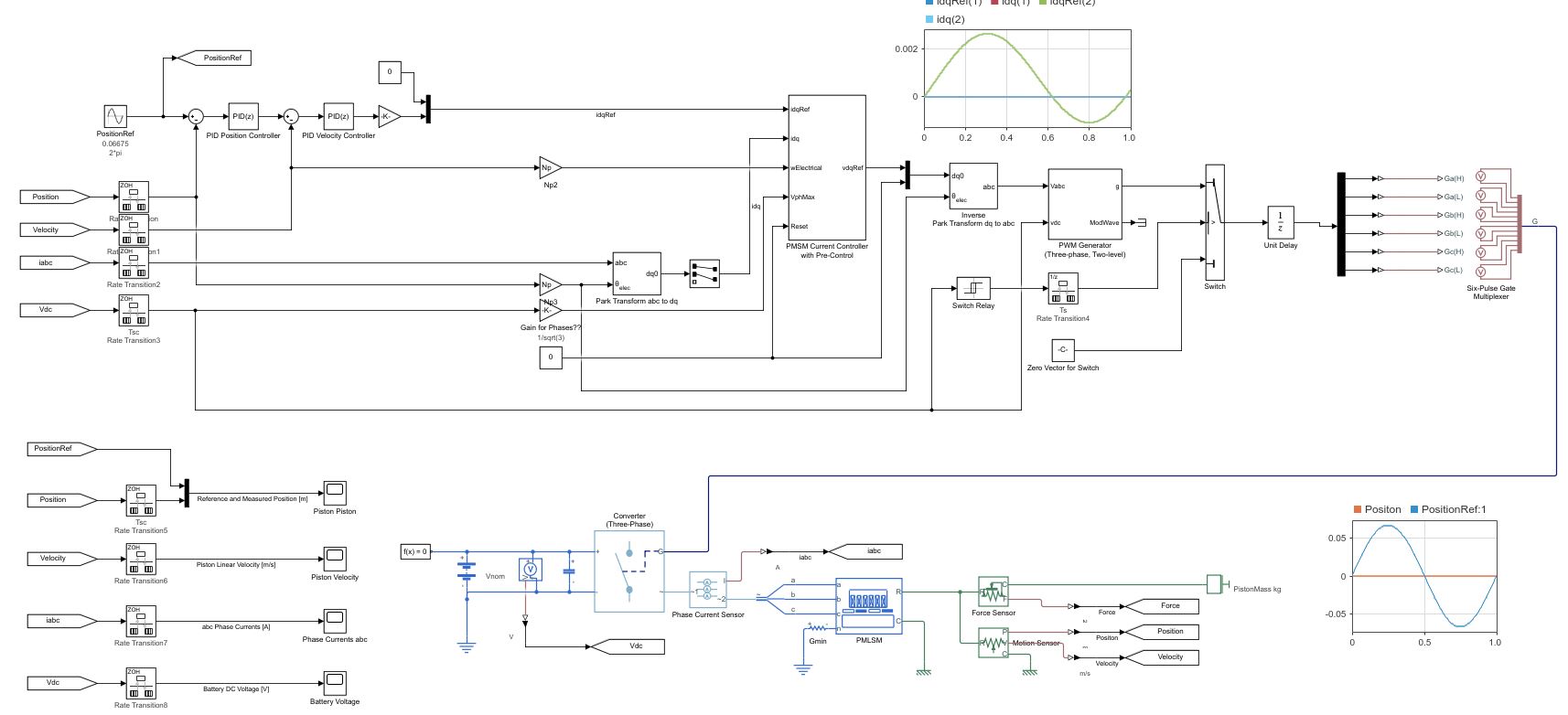
Hi Everyone,

Require some guidance and pointers on model ee_pmlsm_drive please.

Its regarding a PMSM linear machine model, with a cascade (position and speed) outer loop and a current controller inner loop (Id and Iq currents).

The current Simulink model uses a low voltage DC supply (48v) and uses a step input to the system. My system uses a HV source (400v) and the input is sinusoidal position, with an operating frequency range of 0 to 20hz.

I have used the original model, re-created my own (to learn Simulink/Simscape) with a HV battery source (400v) and used machine parameters that match the application (peer reviewed publication).

As my power electronics background is limited, my background is mechanical, i am unable to tune the inner and outer loops, and am unsure in what order to tune. My project is to use the linear PMSM to drive (motoring) a linear piston for combustion and also use the linear piston to drive the PMSM (generating).

Using the built in PID tuner for the outer speed and position loops i am encountering an error (plant cannot be linearised). I am using a simple 1 hz sine wave to simulate the reference position set-point. With all PID values set to default i have no dq currents, however i have idq ref from the outer velocity controller loop.

Any help with resources and guidance as to how to tune the loops for my updated parameters on this model would be great.