cadnet
Description
Create a cadnet object
A cadnet is a designated grouping of interconnected pcb components in a PCB layout.
Creation
Description
cadobj = cadnet(
creates a cadnet object from a pfile,'CadnetName')pcbFileRead object and given a specified
name.
Input Arguments
The input pcbFileRead object specified as a string.
Example: cadobj = cadnet(filename,'NET_INN1') creates a
cadnet object from the pcbFileRead object
filename.
Data Types: string
This property is read-only.
Name of the cadnet in the pcbFileRead object specified as a
string.
Example: cadobj = cadnet(filename,'NET_INN1')
Data Types: string
Properties
This property is read-only.
Number of pins in a cadnet.
Example: 2
Data Types: int8
This property is read-only.
Number of surfaces in a cadnet.
Example: 1
Data Types: int8
This property is read-only.
Number of vias in a cadnet
Example: 2
Data Types: int8
This property is read-only.
Number of traces in a cadnet.
Example: 3
Data Types: int8
This property is read-only.
Length of the cadnet in inches.
Example: 1.2
Data Types: double
This property is read-only.
Entities of a cadnet: Pins, Vias, Traces, Surf (surfaces).
Example: [1x1 struct]
Data Types: struct
Voltage in the cadnet.
Example: 2.20
Data Types: double
Layers included in the cadnet.
Example: [1 3 5]
Data Types: int8
Object Functions
show | Show |
cadnetData | Cadnet data |
shapes | Shapes |
Examples
This example shows how to read an Allegro file and create a pcbFileRead object. After this the following operations will be executed:
Create layer, cadnet, padstack, part, and component objects form the pcbFileRead object
Create a powerDistributionNetwork object from the cadnet object
Set the properties of the powerDistributionNetwork object for voltage and current density analysis
Analyze and visualize the voltage and current density
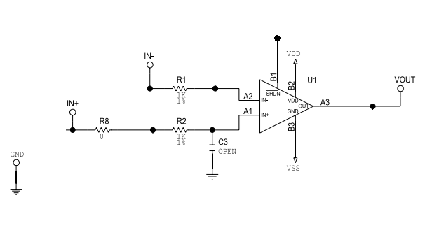
Here is the circuit:

Here is the pcb layout:

Read file
Read a native format Allegro file and look at the properties of the pcb
pfile = pcbFileRead('native_ExampleBoard_Allegro')pfile =
pcbFileRead with properties:
FileName: 'native_ExampleBoard_Allegro'
NumLayers: 5
MetalLayer: [1 3 5]
DielectricLayer: [2 4]
LayerHeight: [0.0184 0.0104 0.0092 0.0012 0]
NumCadnets: 7
NumPadStacks: 6
NumComponents: 8
NumParts: 5
cadnetList(pfile)
ans=7×4 table
CadnetIdx CadnetName NumPins Length
_________ ___________________ _______ ______
1 {'Unconnected_Net'} 3 0
2 {'NET_OUTV' } 2 0.615
3 {'NET_GND' } 1 0.46
4 {'NET_IN22' } 2 0.645
5 {'NET_IN11' } 4 0.488
6 {'NET_INNEG' } 2 0.515
7 {'NET_INPOS' } 2 0.676
componentList(pfile)
ans=8×3 table
ComponentIdx ComponentName NumPins
____________ _____________ _______
1 {'OUT_V'} 1
2 {'U1' } 6
3 {'C3' } 2
4 {'R1' } 2
5 {'TP1' } 1
6 {'R2' } 2
7 {'IN_N' } 1
8 {'IN_P' } 1
partList(pfile)
ans=5×2 table
PartIdx PartName
_______ _______________
1 {'IOSINGLEPIN'}
2 {'IC6ANT' }
3 {'CAPGEN080' }
4 {'RESGENH40' }
5 {'RESGEN080' }
padStackList(pfile)
ans=6×2 table
PadstackIdx PadstackName
___________ ____________________
1 {'MHYCIRCLE009' }
2 {'MHYC012' }
3 {'MHYRECT46X59' }
4 {'MHYRECT80X60H40' }
5 {'VIA' }
6 {'MHYRECT46X59_TOP'}
stackUp(pfile)
ans=5×8 table
LayerNumber LayerName LayerType Material Thickness(inch) EpsilonR LossTangent Conductivity(S/m)
___________ ______________ ______________ __________ _______________ ________ ___________ _________________
1 {'TOP' } {'Signal' } {'COPPER'} 0.0012 1 0 5.96e+07
2 {'Dielectric'} {'Dielectric'} {'FR-4' } 0.008 4.5 0.035 0
3 {'LAYER2' } {'Plane' } {'COPPER'} 0.0012 1 0 5.96e+07
4 {'Dielectric'} {'Dielectric'} {'FR-4' } 0.008 4.5 0.035 0
5 {'BOTTOM' } {'Signal' } {'COPPER'} 0.0012 1 0 5.96e+07
Create layer object
Create and visualize a layer object
layerobj = layer(pfile,1,Type= 'All')layerobj =
layer with properties:
pcBoard: [1×1 pcbFileRead]
LayerNumber: 1
Type: "All"
LayerHeight: 0.0184
NumSurfaces: 1
NumPins: 14
NumVias: 4
NumTraces: 21
EntityList: [1×1 struct]
show(layerobj)

Create a cadnet object
Create cadnet object and look at it data
cadobj = cadnet(pfile,'NET_IN11')cadobj =
cadnet with properties:
pcBoard: [1×1 pcbFileRead]
CadnetName: 'NET_IN11'
NumPins: 4
NumSurfaces: 2
NumVias: 4
NumTraces: 4
TotalLength: 0.4880
Voltage: 'NoDef'
LayerRange: [1 3 5]
EntityList: [1×1 struct]
figure show(cadobj)

Create a padstack object
Create a padstack object and look at its data
stackobj = padStack(pfile,'MHYC012')stackobj =
padStack with properties:
pcBoard: [1×1 pcbFileRead]
PadStackName: 'MHYC012'
PadType: 'Pin'
PadShape: 'Circle'
NumPads: 6
PadCenter: [6×2 double]
HoleDiameter: 0
PadDiameter: 0.0120
PinPadInfo: [6×8 table]
shapes(stackobj)
ans =
1×6 Polygon array with properties:
Name
Vertices
Create a part object
Create a part object and look at its data
partobj = part(pfile,"IC6ANT")partobj =
part with properties:
pcBoard: [1×1 pcbFileRead]
PartName: 'IC6ANT'
NumComponents: 1
ComponentInfo: [1×7 table]
componentData(partobj)
ans =
component with properties:
pcBoard: [1×1 pcbFileRead]
ComponentName: 'U1'
PartName: 'IC6ANT'
ComponentType: 'IC'
NumPins: 6
Value: ''
Facement: 'TOP'
ComponentPinInfo: [6×7 table]
Create component object
Create a component object and look at its pin data
componentobj = component(pfile,'U1')componentobj =
component with properties:
pcBoard: [1×1 pcbFileRead]
ComponentName: 'U1'
PartName: 'IC6ANT'
ComponentType: 'IC'
NumPins: 6
Value: ''
Facement: 'TOP'
ComponentPinInfo: [6×7 table]
componentPinData(componentobj,1)
ans =
pinsData with properties:
PinShape: 'Circle'
PartNumber: 'IC6ANT'
Component: 'U1'
PinNumber: 'A3'
Value: ''
PadStack: 'MHYC012'
CadnetName: 'NET_OUTV'
StartLayer: 1
StopLayer: 1
Circular pin dimensions:
Center: [0.1010 0.2690]
Diameter: 0.0120
DrillHoleDiameter: 0
Create a power distribution network object
Create a power distribution network object from a cadnet object. After this the following operations can be performed:
Set up the the Network Parameters, DC Parameters, and DC Rules properties of the power distribution network for power integrity analysis
Analyze and visualize the voltage and current density of the power distribution network
Here is the cadnet for power integrity analysis

pdnobj = powerDistributionNetwork(cadobj)
pdnobj =
powerDistributionNetwork with properties:
Network Parameters:
NetType: [1×1 cadnet]
Source: []
Load: []
Sense: []
PlatingThickness: []
DC Parameters:
NominalVoltage: []
LoadCurrent: []
DC Rules
MaxCurrentDensity: []
MinVoltage: []
MaxVoltage: []
MaxViaCurrent: []
To Analyse PDN:
Set Network Parameters: setNetworkParameters
Set DC Parameters: setDCParameters
Set DC Rules: setDCRules
Find the pins connected to the cadnet using the findComponents function
ConnPins = findComponents(cadobj)
ConnPins=4×5 table
ComponentIndex Refdes PinList ComponentType Part
______________ ______ _______ ______________ _______________
1 "C3" "1" {'Capacitor' } {'CAPGEN080' }
2 "R2" "2" {'Resistor' } {'RESGEN080' }
3 "TP1" "1" {'Test Point'} {'IOSINGLEPIN'}
4 "U1" "A1" {'IC' } {'IC6ANT' }
in = ConnPins.Refdes(2); out = [ConnPins.Refdes(1),ConnPins.Refdes(4)]; SensePin = ConnPins.Refdes(3);
Set the network parameters
setNetworkParameters(pdnobj,Source=in,Load=out,Sense=SensePin,PlatingThickness=0.0003);
powerDistributionNetwork with properties:
Network Parameters:
NetType: [1×1 cadnet]
Source: "R2"
Load: ["C3" "U1"]
Sense: "TP1"
PlatingThickness: 3.0000e-04
DC Parameters:
NominalVoltage: []
LoadCurrent: []
DC Rules
MaxCurrentDensity: []
MinVoltage: []
MaxVoltage: []
MaxViaCurrent: []
To Analyse PDN:
Set DC Parameters: setDCParameters
Set DC Rules: setDCRules
Set the DC parameters
setDCParameters(pdnobj,"LoadCurrent",[10e-3,10e-3],"NominalVoltage",2)
powerDistributionNetwork with properties:
Network Parameters:
NetType: [1×1 cadnet]
Source: "R2"
Load: ["C3" "U1"]
Sense: "TP1"
PlatingThickness: 3.0000e-04
DC Parameters:
NominalVoltage: 2
LoadCurrent: [0.0100 0.0100]
DC Rules
MaxCurrentDensity: []
MinVoltage: []
MaxVoltage: []
MaxViaCurrent: []
To Analyse PDN:
Set DC Rules: setDCRules
Set the DC rules
setDCRules(pdnobj,MinVoltage=1,MaxVoltage=2.00002,MaxCurrentDensity=4,MaxViaCurrent=2.0)
powerDistributionNetwork with properties:
Network Parameters:
NetType: [1×1 cadnet]
Source: "R2"
Load: ["C3" "U1"]
Sense: "TP1"
PlatingThickness: 3.0000e-04
DC Parameters:
NominalVoltage: 2
LoadCurrent: [0.0100 0.0100]
DC Rules
MaxCurrentDensity: 4
MinVoltage: 1
MaxVoltage: 2.0000
MaxViaCurrent: 2
Analyze voltage deviation
voltage(pdnobj);

Analyze current desnsity with direction enabled
current(pdnobj,Direction="on")
Version History
Introduced in R2025a
See Also
findComponents | powerDistributionNetwork | pcbFileRead | cadnetList
MATLAB Command
You clicked a link that corresponds to this MATLAB command:
Run the command by entering it in the MATLAB Command Window. Web browsers do not support MATLAB commands.
Select a Web Site
Choose a web site to get translated content where available and see local events and offers. Based on your location, we recommend that you select: .
You can also select a web site from the following list
How to Get Best Site Performance
Select the China site (in Chinese or English) for best site performance. Other MathWorks country sites are not optimized for visits from your location.
Americas
- América Latina (Español)
- Canada (English)
- United States (English)
Europe
- Belgium (English)
- Denmark (English)
- Deutschland (Deutsch)
- España (Español)
- Finland (English)
- France (Français)
- Ireland (English)
- Italia (Italiano)
- Luxembourg (English)
- Netherlands (English)
- Norway (English)
- Österreich (Deutsch)
- Portugal (English)
- Sweden (English)
- Switzerland
- United Kingdom (English)