Main Content

sschdladvisor

Open Simscape HDL Workflow Advisor

Description

sschdladvisor(model) opens the Simscape HDL Workflow Advisor for the model.

example

sschdladvisor(subsystem) opens the Simscape HDL Workflow Advisor for the subsystem.

example

Examples

collapse all

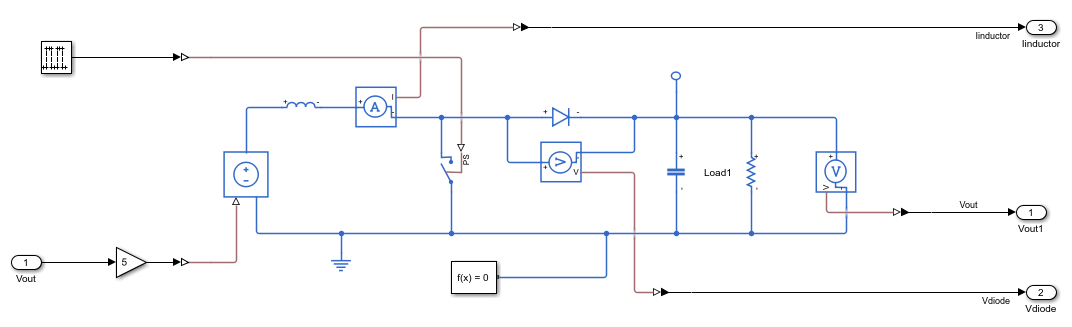
Open the Boost Converter model.

ModelName = 'sschdlexBoostConverterExample';
open_system(ModelName)

Open the Simscape HDL Workflow Advisor for the Boost Converter model.

sschdladvisor(ModelName)

Open the Boost Converter multi-network model.

ModelName = 'sschdlexBoostConverterMultiNetworkExample';
open_system(ModelName)

Select the FPGA Subsystem block and generate a state-space equivalent for it.

SubsysName = 'sschdlexBoostConverterMultiNetworkExample/FPGA Subsystem';
open_system(SubsysName)

Open the Simscape HDL Workflow Advisor for the FPGA Subsystem block.

sschdladvisor(SubsysName)

To generate a state-space equivalent for the FPGA Subsystem block, run the tasks in the Advisor.

Input Arguments

collapse all

Model name or handle, specified as a character vector, string scalar, or model handle.

Data Types: char | string | double

Subsystem name or handle, specified as a character vector, string scalar, or subsystem handle.

Data Types: char | string | double

Version History

Introduced in R2018b

expand all