MPPT for Photovoltaic cell using Arduino based fuzzy controller
Version 1.0.0.0 (19.2 KB) by
PIRC
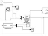
PV MPPT usning arduino board with fuzzy controller
PV MPPT using real time implementation Arduino board with fuzzy controller
Cite As
PIRC (2025). MPPT for Photovoltaic cell using Arduino based fuzzy controller (https://se.mathworks.com/matlabcentral/fileexchange/56482-mppt-for-photovoltaic-cell-using-arduino-based-fuzzy-controller), MATLAB Central File Exchange. Retrieved .
MATLAB Release Compatibility
Created with
R2014a
Compatible with any release
Platform Compatibility
Windows macOS LinuxCategories
Find more on Fuzzy Logic Toolbox in Help Center and MATLAB Answers
Tags
Communities
More Files in the Power Electronics Control Community
Community Treasure Hunt
Find the treasures in MATLAB Central and discover how the community can help you!
Start Hunting!Discover Live Editor
Create scripts with code, output, and formatted text in a single executable document.
| Version | Published | Release Notes | |
|---|---|---|---|
| 1.0.0.0 |
