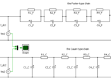
Foster and Cauer equivalent networks
You will need only basic matrix operations to construct the Cauer-type RC ladder equivalent to the Foster-type RC chain. The algorithm is often being embedded into thermal modelling tools; therefore, usually you don't have to perform this transformation externally. My submission is then purely for educational purposes. You will also need Control System Toolbox xor Symbolic Math Toolbox to perform some initial transfer function manipulations. However, it is also possible to provide numerator and denominator coefficients explicitly. To run the illustrative non-parametrized model, you will need the free PLECS Viewer (http://www.plexim.com/download/blockset). The full parametrized version of the PLECS-based model is also included.
Cite As
Bartlomiej Ufnalski (2025). Foster and Cauer equivalent networks (https://se.mathworks.com/matlabcentral/fileexchange/48042-foster-and-cauer-equivalent-networks), MATLAB Central File Exchange. Retrieved .
MATLAB Release Compatibility
Platform Compatibility
Windows macOS LinuxTags
Community Treasure Hunt
Find the treasures in MATLAB Central and discover how the community can help you!
Start Hunting!Discover Live Editor
Create scripts with code, output, and formatted text in a single executable document.
| Version | Published | Release Notes | |
|---|---|---|---|
| 1.0.0.0 |
