A controlled simulation of a 2 stiff links robot
                    Version 1.1.0.0 (12.2 KB) by  
                  José Luis Zapata De Santiago
                
                
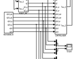
                  This is a simple model of a 2 stiff linked frictionless robot
                
                  
              The robot is based on a simple model of a frictionless system.
It's got a parameters script (a .m) and a model; you can change the parameters if you want.
In the parameters script you can change the frequencies used in the reference.
Cite As
José Luis Zapata De Santiago (2025). A controlled simulation of a 2 stiff links robot (https://se.mathworks.com/matlabcentral/fileexchange/44421-a-controlled-simulation-of-a-2-stiff-links-robot), MATLAB Central File Exchange. Retrieved .
MATLAB Release Compatibility
              Created with
              R2012b
            
            
              Compatible with any release
            
          Platform Compatibility
Windows macOS LinuxCategories
      Find more on Robotics System Toolbox in Help Center and MATLAB Answers
    
  Tags
Community Treasure Hunt
Find the treasures in MATLAB Central and discover how the community can help you!
Start Hunting!Discover Live Editor
Create scripts with code, output, and formatted text in a single executable document.
