BOOST WITH PI CONTROL
Boost converter is a DC-DC converter with which we can step up a particular DC voltage to a desired(higher value) range.
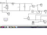
It is a type of SMPS which has two switches namely an Ideal switch and a diode.Along with it it has a inductor,capacitor,resistor etc, as shown in the circuit diagram.Application of Boost converters are Electric hybrid vehicles(EHV),lighting systems etc.The current model i've done will convert a 300/400V DC-DC converter.
when it comes to working,a normal boost converter needs an external pulse to be given so as to produce a specified duty ratio.but here in the model that i have done there is no such need in order to produce a pulse,which will be automatically generated by PID controller.Even the inductor current if you observe you will observe exact continous current mode of operation with (delta)I of ~0.2A ripple.o/p voltage ripple of ~(+/- 5V).
If you find any mistakes in my simulation kindly let me know.I always welcome your valuble suggestions.
Iam thankful to MR.SAURABH NIKAM for guiding me about DC-DC converters.
Cite As
SIVA SAI REDDY (2025). BOOST WITH PI CONTROL (https://se.mathworks.com/matlabcentral/fileexchange/42217-boost-with-pi-control), MATLAB Central File Exchange. Retrieved .
MATLAB Release Compatibility
Platform Compatibility
Windows macOS LinuxCategories
- Control Systems > Control System Toolbox > Control System Design and Tuning > PID Controller Tuning >
- Industries > Automotive > Green Vehicles >
Tags
Communities
Community Treasure Hunt
Find the treasures in MATLAB Central and discover how the community can help you!
Start Hunting!Discover Live Editor
Create scripts with code, output, and formatted text in a single executable document.
| Version | Published | Release Notes | |
|---|---|---|---|
| 1.0.0.0 |
