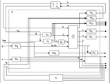
μ-synthesis autoland controller for a business jet
μ-synthesis is a multivariable closed loop design methodology that offers controllers with guaranteed robust stability and performance. Model uncertainty and neglected nonlinearities, wind and noise are perturbations to be alleviated. Actuators output, speed angle of attack are constrained. Pitch angle is allowed to vary. There are separate controllers to guide the aircraft along the glideslope and during the flare. A two loop structure is used in both. The outer loop generates reference signal based on the distance to the glideslope or the vertical speed, respectively. In the inner loop μ-synthesis is used to control the flight path angle to match a reference model that remains invariant under different operating conditions. The outer loop is then designed using classical control approach which results in a constant controller. Using the flight path angle controller instead of pitch angle controller that is usually applied in the inner loop allows to eliminate the high order transfer function from pitch to flight path angle that usually has right half plane zeros.
The synthetized autoland controller allows the aircraft to be captured by the glideslope transmitter, then guided along the glideslope and the flare in the absent of perturbations. On the other hand, in the presence of model uncertainties and nonlinearities the glideslope cannot be tracked, but the flare is not perturbed and all the other constraints are satisfied. In the presence of wind, neither glideslope nor flare tracking is possible. Noise does not affect path-following abilities of the controller but it generates large forces on the elevator and throttle that these elements may not sustain. Comparison with a classical controller used in place of μ-synthesis controller indicates that μ-synthesis offers much more robust stability and performance.
Cite As
Grzegorz Wilanowski (2025). μ-synthesis autoland controller for a business jet (https://se.mathworks.com/matlabcentral/fileexchange/38850-synthesis-autoland-controller-for-a-business-jet), MATLAB Central File Exchange. Retrieved .
MATLAB Release Compatibility
Platform Compatibility
Windows macOS LinuxCategories
- Control Systems > Robust Control Toolbox >
- Aerospace and Defense > Aerospace Blockset > Guidance, Navigation, and Control (GNC) >
- Engineering > Aerospace Engineering > GNC and Avionics >
Tags
Community Treasure Hunt
Find the treasures in MATLAB Central and discover how the community can help you!
Start Hunting!Discover Live Editor
Create scripts with code, output, and formatted text in a single executable document.
mu autoland synthesis/classical/
mu autoland synthesis/common/
mu autoland synthesis/data/
mu autoland synthesis/simulation/
mu autoland synthesis/synthesis/
| Version | Published | Release Notes | |
|---|---|---|---|
| 1.0.0.0 |
