FTDI USB S-function
FT232RL serial converter communication function. Used direct connect to D2XX library. Not Virtual Com Port.
Model consist modified 'ft232xx.h' header file to work on x64.
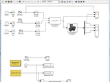
As example used simple function 'string_maker', which generate string 'AxxxxBxxxxCxxxx', where xxxx - numbers obtained from sliders, or sine wave.
'A0750', 'Bxxxx'... - commands for controlling hobby servos. Letter 'A' is channel, xxxx - value in milliseconds/2 (0750 = 1.5 ms).
Also in model used 'Real Time Pacer', which can be found in File Exchange', or completely removed from model.
Cite As
Pavel (2025). FTDI USB S-function (https://se.mathworks.com/matlabcentral/fileexchange/30536-ftdi-usb-s-function), MATLAB Central File Exchange. Retrieved .
MATLAB Release Compatibility
Platform Compatibility
Windows macOS LinuxCategories
Tags
Community Treasure Hunt
Find the treasures in MATLAB Central and discover how the community can help you!
Start Hunting!Discover Live Editor
Create scripts with code, output, and formatted text in a single executable document.
| Version | Published | Release Notes | |
|---|---|---|---|
| 1.0.0.0 |
