等価回路

等価回路とは?

等価回路とは、ある対象物の特性を表現するのに、必要最小限の要素で動作の相似関係を持たせるように作った回路を言います。例えば、DCモーターの等価回路は、抵抗やインダクタンス等の電気要素と摩擦や慣性等の機械要素を使用して簡易的に表現することができます。

このモーターの等価回路の振る舞いは、実際のモーターの振る舞いと比較して近しい結果になります。以下の図は、電圧を2秒後に4秒間印加した際のモーターの角速度の様子を解析した結果です。実験で得られた結果と等価回路から算出した結果が近しいことが分かります。

実機と等価回路から算出した結果

実機と等価回路から算出した結果

以下に、上記で使用したDCモーターの等価回路モデルを示します。

Simscapeで構築したDCモーターの等価回路モデル

Simscapeで構築したDCモーターの等価回路モデル

等価回路を使用する用途

主に実機を使った実験や試験をする前段階で、制御対象の振る舞い(時間応答/周波数応答)をパソコン上で解析する際に使用します。モーターを使った製品など実際のシステムは、電気や機械など様々な物理領域に跨る要素が相互作用を及ぼしあって構成されているため、現象の把握がとても困難です。

しかし、ある一定の仮定の下でシンプルな等価回路に置き換えることで、対象を解析し物理現象を把握し易くなります。例えば、制御対象の時間応答や周波数応答を解析する際は、等価回路から方程式を算出し、伝達関数や状態方程式を計算し、ステップ応答やボード線図等を描いて特異解を求めたりして対象の特徴を把握します。また、等価回路にすることで、計算負荷の軽い数式モデルになるため、パソコン内の解析だけではなく、DSPに実装してリアルタイムシミュレーションで使われます。

複合物理領域で取り扱える等価回路

対象の特性を把握することが出来る等価回路は、さまざまな物理領域で使用されています。各物理ドメインの基礎方程式をトポロジー展開することで、複合領域に跨るシステムを同一環境で解析することが可能です。

ここでは、例として電気系と機械系の相似性について記載します。電気系はRLCが並列に接続された系で構成され電流源で駆動、機械系はバネ・マス・ダンパによる1自由度振動系を外力で駆動されているとすると、以下のような方程式になり相似の関係を持つことが分かると思います。

電気系と機械系での相似比較

電気系と機械系での相似比較

他の物理領域でも同じような相似性を持つことが分かっており、以下の表に示すアクロス変数、スルー変数という概念で方程式を算出することで、複合的な物理領域でも相似関係を持たせて解析することができます。

物理領域 アクロス変数 スルー変数
電気 電圧 電流
油圧 圧力 流量
磁力 起磁力 (mmf) 磁束
機械回転 角速度 トルク
機械並進 並進速度
気体 圧力と温度 質量流量とエネルギー流量
温度 熱流量
熱流体 圧力と温度 質量流量とエネルギー流量
二相流体 圧力と比内部エネルギー 質量流量とエネルギー流量

等価回路の活用例

バッテリーモデル

実際のバッテリーの充放電は、複雑な化学反応が絡みます。しかし一般的にバッテリーの等価回路モデルは、起電力を表す直流電圧源と、電解液内の電荷移動抵抗を表す抵抗と、電荷移動・拡散に伴う早い反応と遅い反応が混在するため、それらを複数個の抵抗とコンデンサの並列回路で表現することが出来ます。

2つの異なる時定数、内部抵抗、および開回路電位を有するバッテリー(電池)の等価回路

2つの異なる時定数、内部抵抗、および開回路電位を有するバッテリー(電池)の等価回路

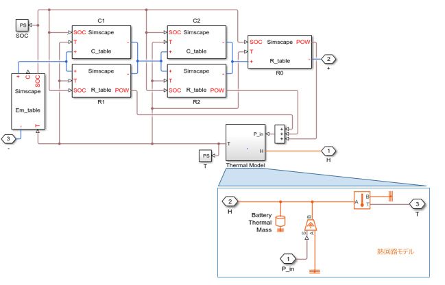
また、バッテリーの電力損失に応じた発熱の影響を確認するために、熱の等価回路を構築も実施します。

以下の図は、バッテリーの内部抵抗から生じた発熱の影響を加味した構成になります。

熱回路付きバッテリーの等価回路

熱回路付きバッテリーの等価回路

このように、等価回路に基づくバッテリーモデルは、シンプルな構造であるためシステムレベルの開発に適しており、バッテリーの制御開発で活用されます。

バッテリー特性

バッテリーは、負荷によって消耗の仕方(放電特性)が異なります。より正確なバッテリーの等価回路モデルを作成するためには、温度や充電状態(SoC)による非線形特性をもつ電圧源、抵抗、RC並列回路に対するパラメータ値を計測データから決定する必要があります。このようなバッテリーモデルの例などは、MATLAB Centralからダウンロードできます。

温度、SOCの影響を加味したバッテリー等価回路

温度、SOCの影響を加味したバッテリー等価回路

リチウムイオンバッテリでの、パルス電流放電に対する電圧応答、およびその結果のSOC

リチウムイオンバッテリでの、パルス電流放電に対する電圧応答、およびその結果のSOC

MATLAB環境にプラントモデル開発

バッテリーを例にMATLAB環境を活用した、プラントモデル開発の一般的なステップを以下に示します。

  • プラント(制御対象)モデル構築:バッテリーモデルの作成
  • パラメータ同定:計測データからバッテリーのパラメータを同定する。
  • 動的解析:時間応答や周波数応答によるプラントモデルの解析
  • リアルタイムシミュレーション:プラントモデルをDSPへ実装(主に制御器の評価で使用します)

それぞれのステップで最適なツールを選択し、開発効率を向上させることが可能になります。

  • Simscape Electricalを使用してバッテリーの物理モデリングを素早く構築することが可能です。
  • 作成したプラントモデルのパラメータ設定を測定データと合わせるために、Optimization Toolbox™Simulink Design Optimization™を使ってパラメータ同定することが出来ます。
  • DSPに実装してリアルタイムシミュレーションする場合は、Simulink Coder™で自動Cコード生成して実装します。

ソフトウェア リファレンス

バッテリー(電池)


参考: モーター制御, FPGA 設計と協調設計, Simscape Power Systems, Embedded Coder, HDL Coder, モーター制御のビデオ, パワー エレクトロニクス シミュレーション, 磁界方向制御, ブラシレスDCモーター制御(BLDCモータ制御), Clarke変換とPark変換, モデルベースデザイン, MBD (モデルベース開発), パワーエレクトロニクス (パワエレ)

バッテリーモデルとは

バッテリーモデルとは

バッテリーモデリングとは、さまざまな条件下におけるバッテリーの動作を数学的または計算論的に表現することです。ビデオと記事をご覧ください。