Dual Active Bridge

What Is a Dual Active Bridge?

A dual active bridge (DAB) is a DC-DC converter that provides bidirectional power flow and galvanic isolation. It is considered in applications for battery systems, renewable energy, solid-state transformers, and low- to medium-voltage grid applications. It has flexible design characteristics for targeting specific voltage and power requirements with opportunities for soft switching. The adaptability of design allows it to achieve greater than 98% efficiency for a desired operating range. It can be stacked for higher voltages, modified to provide AC functionality, and parallelized for increased power flow and improved harmonics.

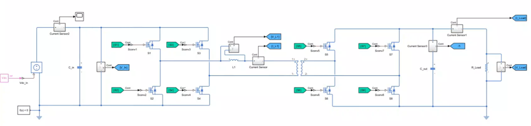
A dual active bridge is constructed from two full bridges that are separated by a high-frequency transformer and inductor. Depending on the control strategy, a DC-blocking capacitor may also be included. The schematic below shows the layout for a single-phase DAB.

Circuit schematic of a single-phase dual active bridge. Two full bridges are connected by an inductor and a high-frequency transformer.

Figure 1. Single-phase dual active bridge.

The number of devices in a dual active bridge, coupled with phase modulation control approaches, lends itself to digital control. Designing a dual active bridge requires a combination of digital control design and high-quality electrical simulation. With Simulink® and Simscape Electrical™, you can model and simulate the control algorithms and electronics of a dual active bridge. Code can be generated from the models for real-time simulation and production code implementation. This allows you to apply Model-Based Design to any and all aspects of your dual active bridge design.

Modeling and Simulation

You can start simulating a dual active bridge immediately using examples provided in Simscape Electrical. Simscape Electrical provides multiple levels of fidelity for active and passive devices with a wide range of options for thermal modeling and switching losses.

Screenshot from Simulink of a Simscape Electrical example model of a dual active bridge.

Figure 2. Simscape Electrical example model of a dual active bridge.

Learn More

Control Design

In Simulink, you can develop control algorithms for both a single and three-phase dual active bridge. Simulating the control algorithms with the DAB model lets you tune controller parameters to achieve optimal performance for given design requirements. Multiple control strategies exist, such as trapezoidal and triangular modulation, but the most common is single-phase shift modulation, which is explained in the modulation section at the end of this page.

Embedded Code Generation

When you are satisfied with your DAB control algorithms, you can generate C or HDL code from your Simulink model. This code is ready to be deployed to microcontrollers, systems on chip (SoCs), and FPGAs and has options to be optimized for specific hardware suppliers.

Single-Phase Modulation Tutorial

The most common approach to controlling and operating a dual active bridge is through single-phase modulation. Control is achieved by generating two PWM signals at half-duty cycles that are phase shifted from each other. The greater the phase difference is, the greater the power flow through the converter. Referring to Figure 3, the left-hand side is controlled by the first PWM signal and its complement while the left-hand side is controlled by the second PWM signal and its complement. This allows four voltage combinations across the inductor. The positive and negative source voltage are on one side, and the referred positive or negative load voltage is on the other. These four modes are achieved with the single control variable of phase angle, which is enough to generate all eight gate pulses. More advanced control schemes will increase the number of control variables to improve operation and efficiency (maximizing soft switching).

Using the single-phase modulation control approach, the basic operation of a DAB is animated below. This operation is broken down piece by piece later to focus on the specific modes of operation shown in this graphic.

Figure 3. Single-phase operation of a dual active bridge with positive power flow.

The purple line above the inductor is a plot of the inductor current. The two square waves below the inductor are the two PWM signals. This example uses an exaggerated 45-degree positive phase shift to make visualizing the different modes easier. The larger magnitude green square wave controls the left full bridge, and the smaller blue square wave controls the right full bridge. The load voltage when referred across the transformer is 20% lower than the source voltage. Reverse power flow is achieved by using a negative phase shift.

Modes of Operation

This section will examine four primary modes of operation with static images.

A plot of inductor current, inductor voltage, and the duty cycle driving both full bridges. Dotted lines separate the modes of operation by the four potential voltages that can be applied across the inductor.

Figure 4. Single-phase dual active bridge modes of operation.

In Figure 4, power flow is primarily achieved in modes A and C, with B and D being necessary to create an AC signal that can transmit power through the high-frequency transformer. This results in circulating current, which must be accounted for in the design and potentially minimized based on design and control strategies.


Software Reference


See also: power electronics simulation, digital control design of DC-DC converters with Simulink, Simscape Electrical, dc-dc converter control